99 Ford Ranger Wiring Diagram
Ranger pj 2006 2010 workshop service repair manual. Ford radio wiring diagram and 99 f250 ford ranger 2009 ford ranger ranger car.

I HAVE A 99 FORD RANGER 3.0 AUTO W/AIR I HAVE REPLACED THE
Ranger buyers guide now what?

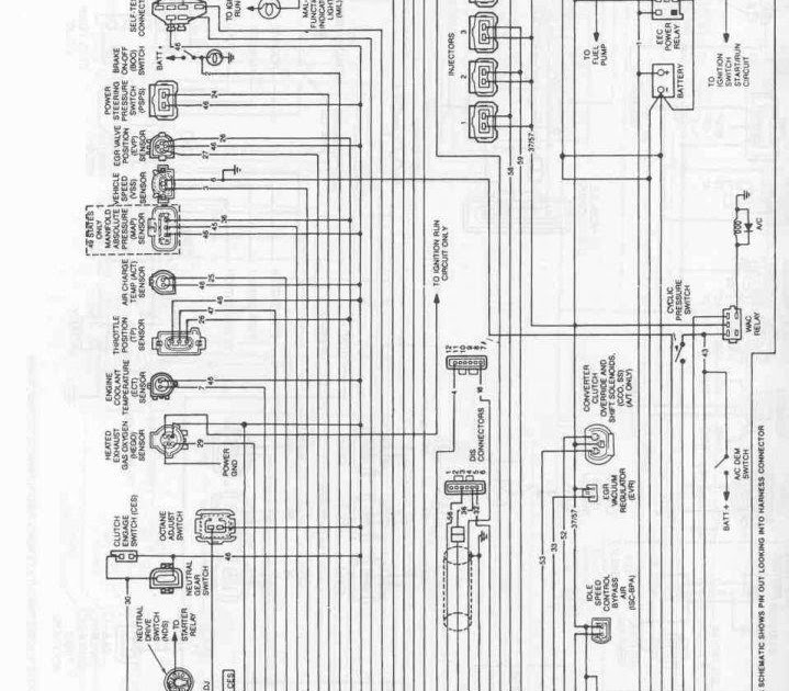
99 ford ranger wiring diagram. If u can gain access to the ignition switch wiring use a testlight and probe each wire while turning the ignition at start position.one of these wires shld have power during starting position and release it again to confirm.this wire goes directly to the trasmission multi lever position. The plugs in the kit will plug in to the factory plugs and allow you to hook up to the new radio. 1999 ford ranger repair manual + wiring diagrams (optional) the 1999 ford ranger repair manual pdf will be created and delivered using your car vin.
Need to find iat/maf sensor diagram for 2003 ford ranger. 99 ranger wiring diagram.ranger pj 2006 2010 workshop service repair manual. 1998 ford ranger wiring diagrams ford ranger ford explorer 2004 ford ranger.
I put probe on both sides.the video above shows how to replace blown fuses in the interior fuse box of your ford ranger in addition to the fuse panel diagram location. 1999 ford ranger fuse box diagram fuse box, ford ranger 99 f150 wiring diagram. Similiar 99 ford ranger fuse diagram keywords with regard to 1999 ford ranger fuse box diagram, image size 584 x 544 px, and to view image details please click the image.
Listed below is the vehicle specific wiring diagram for your car alarm remote starter or keyless entry installation into your 1998 2000 ford ranger this information outlines the wires location color and polarity to help you identify the. 1 trick that we 2 to printing a similar wiring plan off twice. Ford kuga 2012 fault codes.
Changing spark plugs, brake fluids, oil changes, engine rebuilds, electrical faults. The 1999 ford ranger service manual pdf delivered by us it contains the repair manual and some of the parts manual in a pdf file full indexed, and hyperlinks functional. 5.0l electronic fuel injection (efi) wiring.
Alarm wiring diagram best diagram database website wiring diagram schema cablage diagrama de cableado ledningsdiagram del schaltplan chevy vw t4. Ok, you bought a ranger but the radio is missing. Hi my name is anthony i was hoping that i could get from you the wiring diagram for a 2003 ford ranger fx1 the diagrams that i am looking for are the connectors for the multi function switch connectors c202a and c202b what happened is i pulled the connectors off to change the mgs because my turn signals where not working and.
Upon one, i’ll trace the current movement. When you make use of your finger or perhaps the actual circuit with your eyes, it is easy to mistrace the circuit. Wiring diagram 1999 ford ranger from www.fixya.com.
Save your money, the chip is a ohm resistor at radio shack for under $2.00. Put up by admin with february, 2 2013. Problem with this system is, that you can not adjust anything and have to run a.
It splices in to you iat wire harness located at the intake tube between the air filter housing and throttle body. We have gathered several pictures, with any luck this picture serves for you, as well as assist you in discovering the answer you are trying to find. Print the wiring diagram off plus use highlighters to trace the signal.
Ford radio wiring diagram and 99 f250 ford ranger 2009 ford ranger ranger car. Ford ranger radio wiring diagrams: Installing chip and want to double check wiring.
The automotive wiring harness in a 1999 ford ranger is becoming increasing more complicated and more difficult to identify […] With this ford ranger mazda workshop manual, you can perform every job that could be done by ford garages and mechanics from: Listed below is the vehicle specific wiring diagram for your car alarm remote starter or keyless entry installation into your 1998 2000 ford ranger.
This information outlines the wires location, color and polarity to help you identify the proper connection spots in the vehicle. Tan/lt grn tan/lt grn s 1m grynmht (dash panel to headlamp harn. 1999 ford explorer radio wiring diagram to ranger jpg fit u003d1116 2c792 u0026ssl u003d1 with 1993 f150 for ste ford explorer ford focus car pioneer car audio.
The ford ranger mazda 1999 drifter rhd wiring diagram pdf includes: If you like this article you can bookmark or share it to your social media account, i thanks quite since you have actually. Whether you’re a novice ford ranger enthusiast, an expert ford ranger mobile electronics installer or a ford ranger fan with a 1999 ford ranger, a remote start wiring diagram can save yourself a lot of time.
If the factory plugs are there, you should be able to pick up an installation kit from the parts store. 94 ford ranger radio wiring diagram ford explorer diagram ford. Left rear corner of eng start acc ignition suultch brake indicator
What is source for constant 12v on 30 amp fuse? 1990 ranger to 1988 turbo coupe wiring pinouts (excel spreadsheet) ford explorer 4.0l to bronco ii wiring. Wiring diagram for 1999 ford ranger 3.0.
Please be sure to test all of your wires with a digital.

1999 Ford Ranger Wiring Diagram Wiring Diagram And

I have a 99 ford ranger 4.0L that when I plug in the fuel

We have a 99 ford ranger 4wd that took a trip in the ditch
99 Ford Ranger Fuse Diagram Wiring Diagram Networks

30 1999 Ford Ranger Vacuum Diagram Wiring Diagram List

Headlight Wiring Diagram 1999 Ford Ranger Wiring Forums
99 Ford Ranger Wiring Harnes Diagram Fuse & Wiring Diagram
1999 Ford Ranger Pcm Wiring Diagram
99 Ford Ranger Body Wiring Diagram Wiring Diagram Networks

Ford Ranger 99 XLT How do I get to the Accessory Delay
Wiring Diagram For 99 Ford Ranger Xlt
99 ranger 4x4 wiring diagram? Ford Truck Enthusiasts Forums

99 Ford Ranger Body Wiring Diagram Wiring Diagram Networks

99 Ford Ranger Fuse Box Diagram Fuse Box And Wiring Diagram

I have a 99 Ford Ranger. The brake lights quit working. I
[View 38+] 1999 Ford Ranger Fuel Pump Wiring Diagram
I have a 1999 ford ranger that keeps blowing alternators

